Filters and Stubs

Home ] Filters ] ADSL Filter ]

Related Pages:

Filters

Optimum Filter and Stub Location

Optimum filter and stub location is dependent on source and load characteristics. Optimum location is almost never independent of position along the transmission line. Optimum filter or stub location is not always, at the source or load, as many Handbooks and sources suggest.

Let's look at how an amplifier's pi-network and pi-L network behave when followed by various loads. Looking at a 40 meter amplifier's pi-network we have:

 

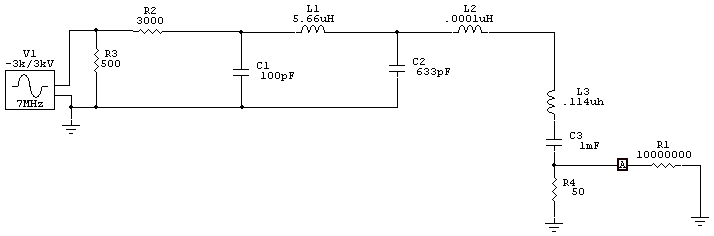
7 MHz tank filter and stub location

 

In this base case, we have a 50-ohm load. The series load reactances, L3 and C3, are set to negligible reactance, or to desired values, before running the model.

Fundamental load voltage is  200 volts, or 800 watts load power. 14 MHz harmonic level is .5 volts, or 5 milliwatts. This is -52 dBc suppression. This ASSUMES, incorrectly for most real systems, load impedance is 50 j0 across the entire HF spectrum.

 

 

An antenna, a stub, or a filter will present different impedances at the output port on different frequencies. We cannot use a dummy load, or a 50-ohm system like a network analyzer or generator sweep system, to measure the real harmonic attenuation. In a real system we would have the following 14 MHz 50-ohm antenna 2nd harmonic levels with various 20-meter shunt impedances at the output port:

Termination Shunt Impedance Harmonic voltage level volts Harmonic power level Harmonic Attenuation dBc
broadband load 50Ω j0 0.5 5 mW -52
2Ω +j0 .057 65 µW -70.9
2Ω +j10 .119 283 µW -64.5
2Ω +j20 .458 4 mW -52.8
2Ω -j10 .0362 26 µW -74.8
2Ω -j20 .0273 14.9 µW -77.3

 

Inductive reactances can decrease harmonic suppression, while capacitive reactances at the harmonic frequency increase harmonic suppression. Since harmonics are not perfectly terminated, except with a dummy load or wideband antenna, we never have the wideband 50Ω measured or predicted harmonic suppression. In nearly all systems the reactance sign and level varies with distance from the amplifier tank to the filter, and it also varies with the type of filter. This means where we place a stub or filter, including how the antenna system behaves at the harmonic, determines stub or filter performance.

Anyone telling us a certain filter or stub offers "xx dB attenuation", or always should be at a certain spot in the system, is overstepping the limits of accuracy.   

 

Pi-L Network

By resetting C1, L1, C2, and L2 to different values, we now have a pi-L network in our representation of an amplifier. 

Pi-L network 200 ohm center impedance

 

In this case, we have a higher-than-normal Q pi-L with 200Ω center impedance, feeding a 50-ohm load.

Series load reactances, L3 and C3, are set to negligible reactance, or to desired values, before running the model.

Fundamental load voltage is 200 volts, or 800 watts load power. 14 MHz harmonic level is .19 volts, or .72 milliwatts. This is -60.4 dBc suppression.

 

This model ASSUMES, incorrectly for most real systems, load impedance is 50Ω j0 across the entire HF spectrum. This is the same assumption network analyzer and other sweep measurements usually assume. It is more than ironic that people fiddle and fuss to get stubs a certain length, when optimum length might not be close to optimum length for results in a broadband 50Ω system or model.

Filter Shunt Impedance Harmonic voltage level volts 50-ohm Harmonic power level Harmonic Attenuation dBc
no filter .19 720 µW -60.4
2 +j0 .0086 1.48 µW -87.3
2 +j10 .0069 .95 µW -89.2
2 +j20 .00664 .88 µW -89.6
2 -j10 .0074 1.1 µW -88.6
2 -j20 .0076 1.2 µW -88.4
2 -j80 .017 5.78 µW -81.4

 We want to avoid capacitive reactance at the tank output on harmonics with a pi-L, because it can reduce harmonic suppression.

These models do NOT represent worse case conditions for load impedance. They are intended to demonstrate getting fussy or extreme about stub length is probably a waste of time and energy, unless the stub or filter is actually pruned and tuned for your specific system.

Sometimes things in life are so complex being overly fussy is nothing but a waste of time.

 

Link to

Low Pass, High Pass, and Bandpass Filters